南县公路建设养护中心2025年度政府信息公开工作报告
发布时间:2026-01-16 15:33
浏览次数:
字体:[ 大 中 小 ]
一、总体情况
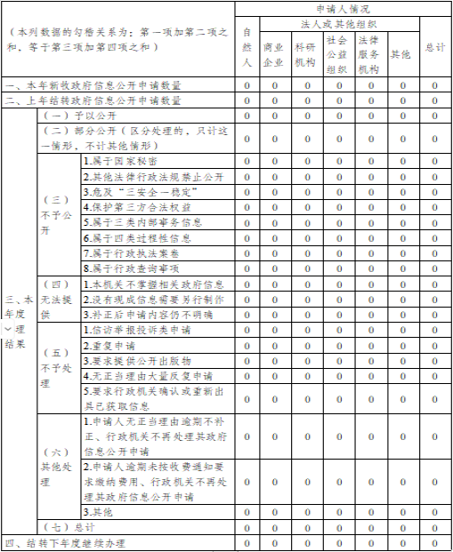
2025年,我中心在县委、县政府的正确领导下,在上级主管部门精心指导下,认真学习贯彻习近平新时代中国特色社会主义思想,紧紧围绕县委、县政府2025年度工作要点,大力推动政府信息公开工作,积极利用好政府信息公开,极大地方便了群众。我中心未收到信息公开申请受理和通过电子邮件提交的信息公开申请受理,未发生因政府信息公开申请行政复议、提起行政诉讼的情况。
二、主动公开政府信息情况

三、收到和处理政府信息公开申请情况

四、政府信息公开行政复议、行政诉讼情况

五、存在的主要问题及改进情况
2025年,我中心政府信息公开工作取得了一定的成效,但也存在一些问题和不足。主要是政府信息公开工作重要性的认识还不够,今后进一步提高对政府信息公开工作重要性的认识,主动查找自身存在的问题和不足,落实责任,加强整改。
六、其他需要报告的事项
2025年本单位无其它需要报告事项。