当前位置:
首页
>
信息公开目录
>
政府系统
>
县财政局
>
财政信息
>
乡镇
>
南县明山头镇人民政府
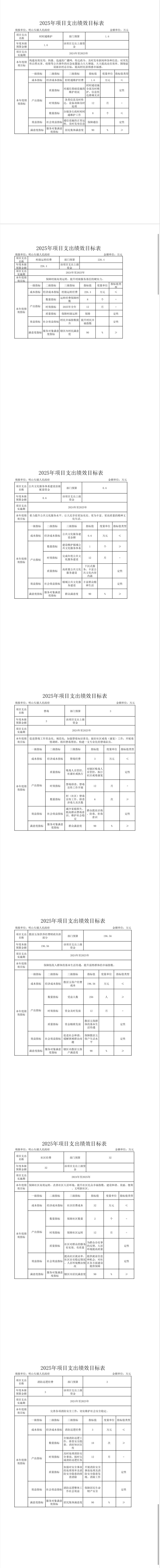
南县明山头镇人民政府2025年项目支出绩效目标表和整体绩效目标表
发布时间:2024-12-09 08:00
信息来源:明山头镇人民政府
作者:
浏览量:
字体:
大
中
小
、
南县明山头镇人民政府2025年部门整体绩效.zip
扫一扫在手机打开当前页
打印本页
关闭窗口