归档时间:2024-06-20
当前位置:
首页
>
热点专题
>
全国电子商务进农村综合项目专栏
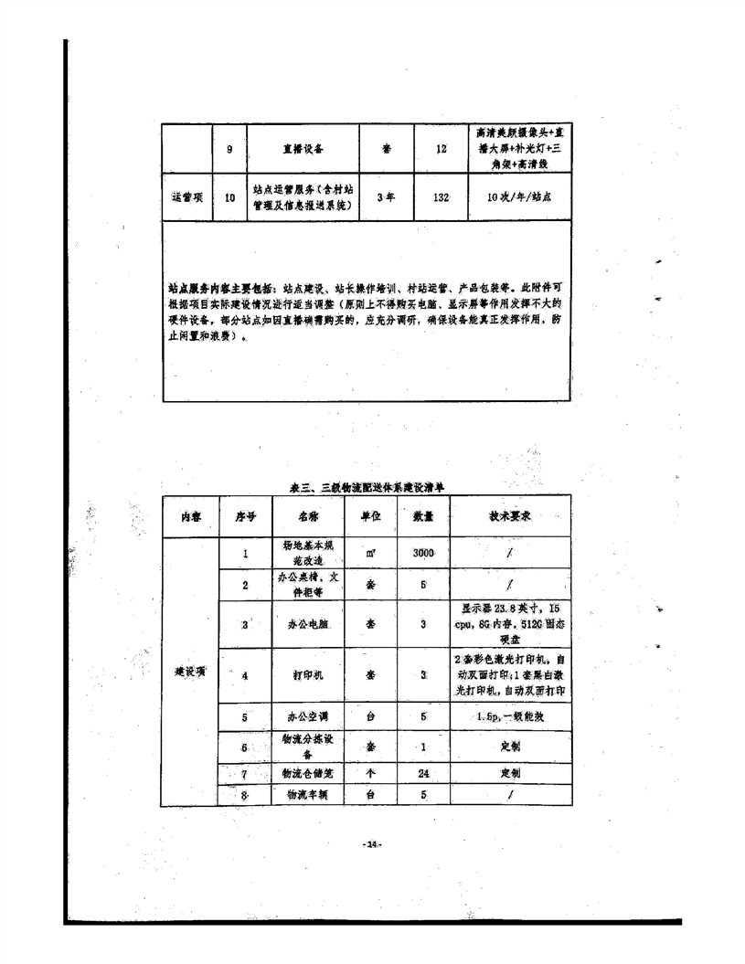
南县电子商务进农村综合示范项目补充协议
发布时间:2022-01-29 10:18
信息来源:南县商务局
作者:
浏览量:
字体:
大
中
小
扫一扫在手机打开当前页
打印本页
关闭窗口